Pökomat P18/320Drucken
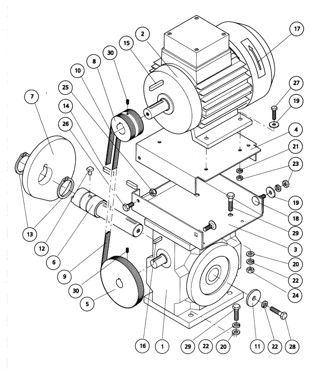
Baugruppenübersicht
Vorschub und Rück...
Bedientableau II ...
Bedientableau I
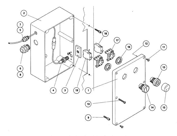
Schaltkasten
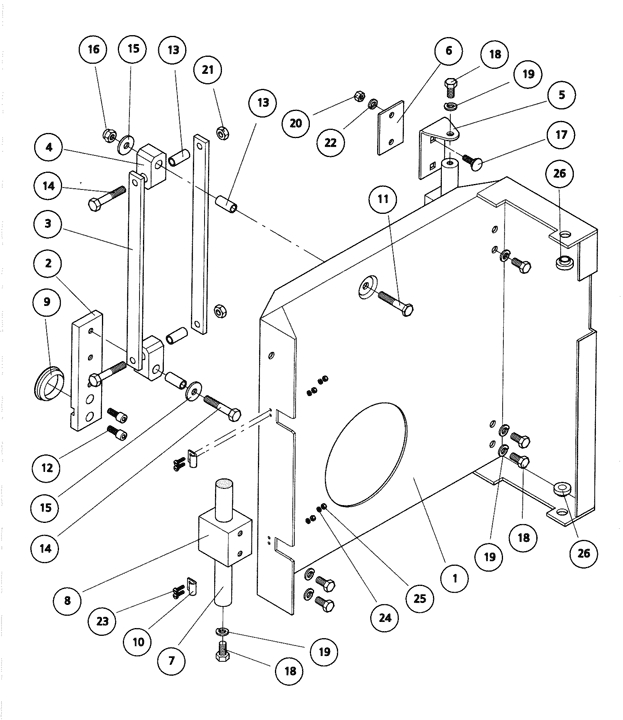
Rücklauffilter
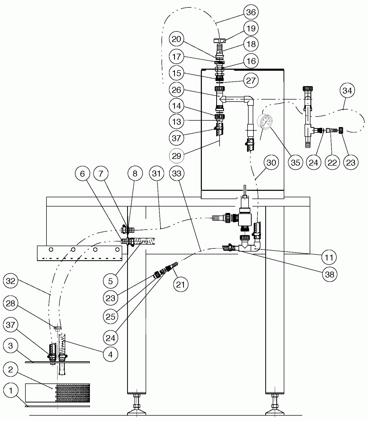
Lakeführung
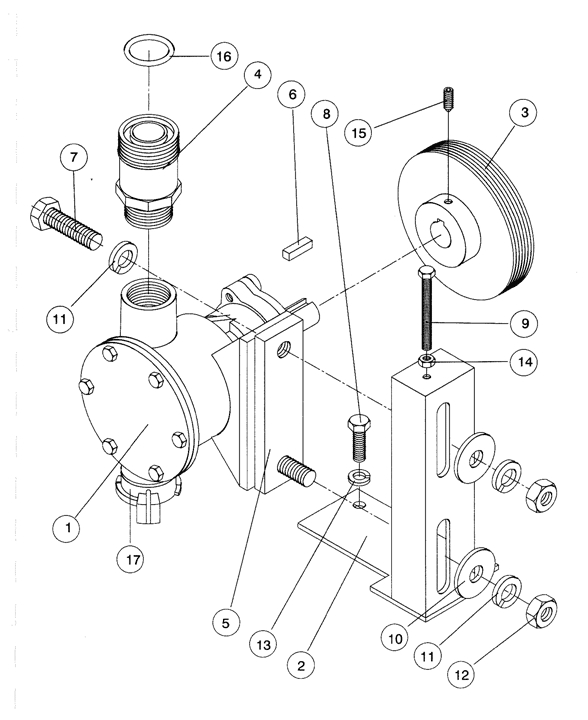
Ventil
Pumpe INOX
Einbau INOX-Pumpe...
Messing-Pumpe
Einbau Messing-Pu...
Transportschlitte...
Transportbandantr...
Gehäuse
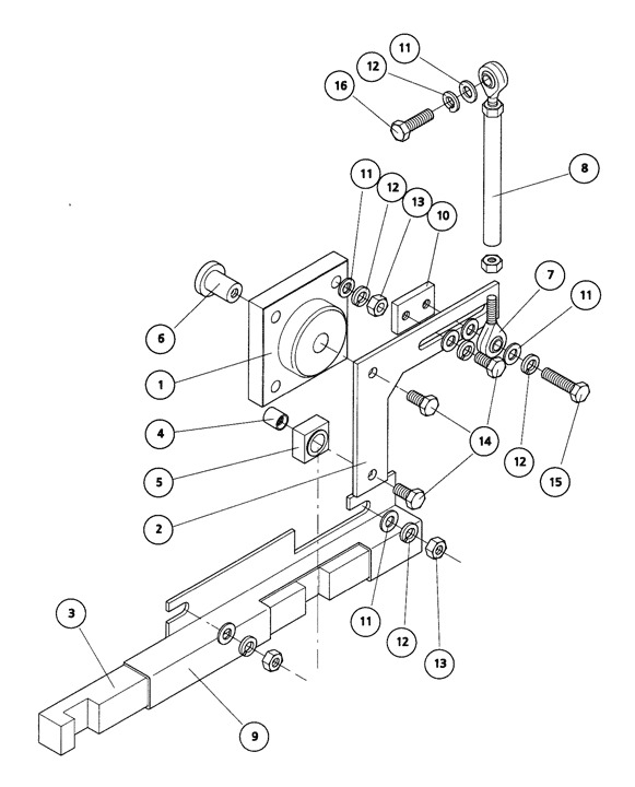
Vorschubgestänge...
Vorschubverstellu...
Vorschubverstellu...
Vorschubantrieb
Antriebseinheit 6...
Antriebseinheit 5...
Verteilrohr INOX...
Verteilrohr PP
Nadelführung
Nadelschlitten
Schutzhaube
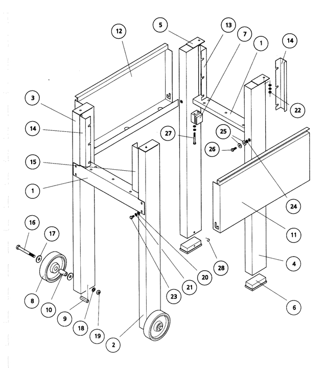
Fussgestell
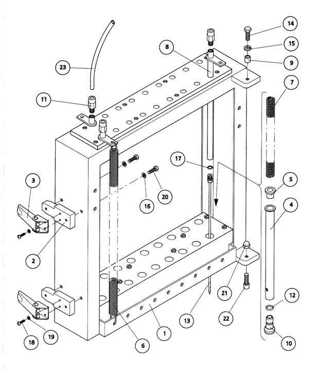
Explosionszeichnung: Rücklauffilter
Ersatzteile - Stückliste: // Pökomat P18/320 // Rücklauffilter
| Pos. | Menge | Benennung | Teilenummer | Bemerkung | Anzahl |
|---|
| 1 | 1 | Rücklaufwanne | 03252 | ||
| 2 | 2 | Führungsleiste | 03256 | ||
| 3 | 3 | Führungsleiste | 03257 | ||
| 4 | 1 | Rücklauffilter | 03305 | ||
| 5 | 1 | Überlaufstopfen | 01285 | ||
| 6 | 1 | Winkelhebel | 03260 | ||
| 7 | 1 | Achse | 03261 | ||
| 8 | 1 | Stützplatte | 03262 | ||
| 9 | 1 | Abstreifplatte | 03263 | ||
| 10 | 2 | Druckfeder | 03258 | ||
| 11 | 2 | Druckbolzen | 03259 | ||
| 12 | 1 | O-Ring | 05390 | ||
| 13 | 8 | U-Scheibe | 05280 | ||
| 14 | 8 | Federring | 05295 | ||
| 15 | 8 | Mutter | 05235 | ||
| 16 | 8 | Stopfen | 03615 | ||
| 17 | 1 | 6kt-Schraube | 05087 | ||
| 18 | 4 | Panhead-Schraube | 05146 | ||
| 19 | 4 | 6kt-Schraube | 05038 | ||
| 20 | 1 | Kugel | 05344 | ||
| 21 | Schwerspannstift | 05301 | |||
| 22 | 2 | U-Scheibe | 05290 | ||
| 23 | 4 | Stoppmutter | 05247 |
0 Artikel